产品展示
STAS-50X90,SAZN气缸,超薄气缸
首页 / 产品中心 / SDA SSA STA系列气缸
产品标题:STAS-50X90,SAZN气缸,超薄气缸
产品ID:VIB20121008124440734
品  牌:SAZN三正气动
所在地:中国 上海
价  格:面议 (大量采购价格面议)
库存状态:货期待查
更新日期:2025-3-20 21:06:29
咨询电话:(+86)021-51699285
咨询Q Q: 2695337323
产品简述
无杆气缸,气缸型号,微型气缸,旋转气缸,SAZN气缸,气缸工作原理,气缸作用,迷你气缸,迷你型气缸,不锈钢气缸,摆尾型气缸,圆尾型气缸,平尾型气缸,复动型气缸,复动缓冲型气缸,超薄气缸,押出型气缸,引入型气缸
产品详情

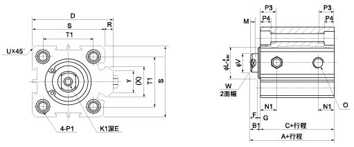
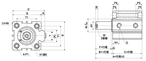
SDA-12X5,SDA SSA STA超薄气缸

示例
1.欲订购缸为50mm,行程为30mm,附磁石,活塞杆牙型式的复动型超薄气缸,其订购码代号:SDAS-50X30-B.
2.欲订购缸径为
20mm,行程为25mm,不附磁石,活塞杆牙型为内牙型式的单动引入型超薄气缸,其订购码代号:STA-20X25.